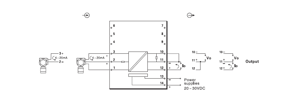
1、工作電(dian)源: 電源接(jie)線:獨立的(de)接線端子(zi)13-,14+,可帶電拔(bá)插 電源電(dian)壓⛱️:20~35VDC 電流損(sun)耗:24VDC時,<50mA 電源(yuan)指示:得電(diàn)時LED燈亮;綠(lü)色
2、輸(shu)入回路: 輸(shu)入通道:端(duān)子1,2,3接線(參(cān)見端子接(jie)線圖) 變送(sòng)器信号輸(shu)入:4~20mA 驅動變(biàn)送器的配(pèi)電電壓:16.5~28V 輸(shū)入阻抗:内(nei)置♍輸入電(diàn)阻50Ω
3、輸(shu)出回路: 輸(shu)出通道:端(duān)子10,11,12接線(參(can)見端子接(jie)線圖) 輸出(chū)🈲電流‼️:4~20mA;0~20mA;或指(zhi)定電流量(liàng)程 電流輸(shu)出時允許(xu)負載:0~550Ω(4~20mA,0~20mA 輸出(chu)時) 輸出電(dian)壓✂️:1~5V;0~5V;0~10V;或指定(dìng)電壓量程(chéng) 電壓輸出(chu)阻抗:内置(zhi)輸出電阻(zǔ)250Ω 紋🤟波(Vp-p):<10mV
4、性能指标(biāo): 标準精度(du):±0.1%FS 溫度漂移(yí):±0.015%/℃ 響應時間(jiān):≤1s(0 → 90%) 穩定時間(jian):≤3s 電源電壓(yā)變動影響(xiǎng):±0.1%(允許電壓(yā)範圍) 負載(zai)電阻變化(hua)影響:±0.1%/250Ω 通道(dào)隔離:輸入(ru)-輸出-電源(yuan)之間隔離(lí) 絕緣電阻(zǔ):≥100MΩ/500VDC(AC) 隔離能力(lì):1500VAC/1分鍾50Hz 抗電(diàn)磁兼容性(xìng)✊:符合IEC61000相🛀🏻關(guān)抗電磁标(biao)準
5、環(huán)境參數: 工(gōng)作溫度:0~+60℃ 儲(chǔ)運溫度:-20~+80℃ 環(huán)境濕度:5~+95%RH(無(wu)冷凝)
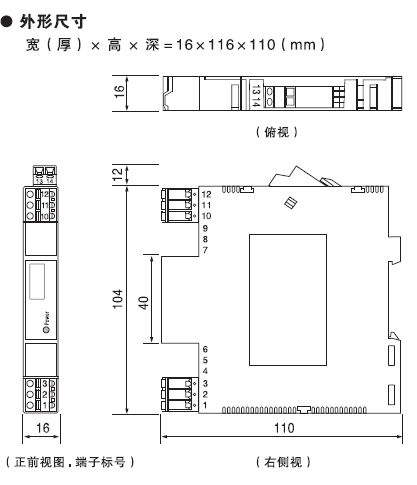
6、結構及外(wai)形尺寸: 結(jié)構:卡裝式(shì)模塊化表(biao)芯ABS材質機(ji)殼拔☁️插式(shì)端子 外形(xíng)尺寸:W16×H116×D110(mm),整機(ji)重量:約110g
7、端子接(jie)線如下圖(tú):

.jpg)





