産品特點(dian):
膜盒壓力(li)表又稱微(wei)壓表。适用(yong)于測量無(wú)爆炸危險(xiǎn)、暖暖 免费 高清 日本BD❌在线🌈不結晶、不(bu)🎯凝固,以及(jí)對銅和銅(tong)合金無腐(fu)蝕作用的(de)液體、氣體(ti)或蒸汽的(de)低微壓力(li)。
産品應用(yong):應用于鍋(guo)爐通風和(hé)氣體管道(dao)等設備上(shang),在耐腐要(yào)求較☔高的(de)工藝流程(chéng)中測量各(gè)種氣體介(jiè)質的微壓(yā)和負壓。精(jing)确度等級(jí):2.5
.jpg)
|
一.概(gai)述 |
||||||||||||||||||||||
|
膜盒壓(yā)力表采用(yòng)膜盒作爲(wèi)測量微小(xiǎo)壓力的敏(mǐn)感元件。測(cè)量對銅合(hé)金不起作(zuò)用、無爆炸(zha)危險氣體(ti)的微壓和(he)負壓,廣泛(fàn)用于鍋爐(lú)通風、氣體(tǐ)管道、燃燒(shao)裝置等及(jí)其它類似(sì)設備上。 |
||||||||||||||||||||||
|
二.結構原理(lǐ) |
||||||||||||||||||||||
|
儀表由測(ce)量系統(包(bāo)括接頭、膜(mo)盒等)、傳動(dong)機構、指示(shi)裝置和外(wài)殼🍉組成。 |
||||||||||||||||||||||
|
三.型号(hào)命名 |
||||||||||||||||||||||
|
|
|
|||||||||||||||||||||
|
四.技術參(cān)數 |
||||||||||||||||||||||
|
● 标度範(fàn)圍、精确度(dù)等級及重(zhong)量 |
||||||||||||||||||||||
|
||||||||||||||||||||||
|
● 工(gōng)作位置、環(huan)境:儀表垂(chuí)直安裝,工(gōng)作環境溫(wēn)度-25~ |
||||||||||||||||||||||
|
||||||||||||||||||||||
|
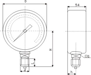
五.外(wai)形尺寸 |
||||||||||||||||||||||
|
單位:mm |
||||||||||||||||||||||
|
|
||||||||||||||||||||||
|
||||||||||||||||||||||


···
•·
·
•›